г. Новосибирск,
Новосибирск, ул. Петухова, 73/1



г. Новосибирск,
Новосибирск, ул. Петухова, 73/1
Устройства плавного пуска INSTART SSI и SBI





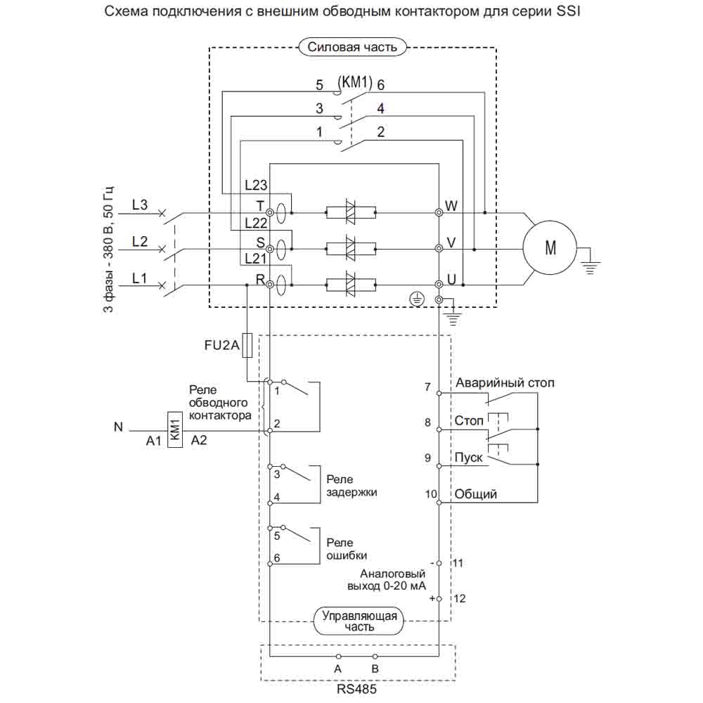
Устройство плавного пуска (УПП) SSI-320/640-04 предназначено для плавного разгона и останова трехфазных асинхронных электродвигателей. Обеспечивает снижение пусковых токов и механических нагрузок на двигатель и подключенное оборудование, что увеличивает срок их службы и повышает надежность работы системы. Заказать высококачественное устройство плавного пуска Instart SSI-320/640-04 по лучшим ценам в Новосибирске Вы сможете в фирме LUFTER отправив заявку нам на почту info@lufter-ekb.ru либо позвонив нам по телефону 8 (343) 345-0-13-01.



Плавный пуск и остановка электродвигателей, предотвращающие гидравлические удары, рывки и износ оборудования.
Снижение пусковых токов, что позволяет использовать менее мощные питающие сети и предохранительные устройства.
Улучшение эксплуатационных характеристик оборудования, подключенного к двигателю.
Продление срока службы двигателя и подключенного оборудования.

ООО "Люфтер" (официальный дилер)